Multifunctional Antenna Dual-WiFi Antenna Dual-4G Antenna1. WIFI Antenna CharacteristicNo.ItemSpecifications1Range of Receiving Frequency(MHz)2400~2500MHz2V.S.W.R(in Center Frequency)≤2.03Gain (Zenith)(dBi typ)(with 70mmSquare GND plane)>2.04Radiation DirectionOmnidirectional5Power Capacit......
| No. | Item | Specifications |
| 1 | Range of Receiving Frequency(MHz) | 2400~2500MHz |
| 2 | V.S.W.R(in Center Frequency) | ≤2.0 |
| 3 | Gain (Zenith)(dBi typ) (with 70mmSquare GND plane) | >2.0 |
| 4 | Radiation Direction | Omnidirectional |
| 5 | Power Capacity(W) | 50 |
| 6 | Polarization | Vertical |
| 7 | Connector | FAKRA Straight head(Blue) |
| 8 | Size | 120*20*4mm |
| 9 | Shell Color | Black |
| 10 | Cable | RG-174,500/260mm |
| NO. | Item | Specifications |
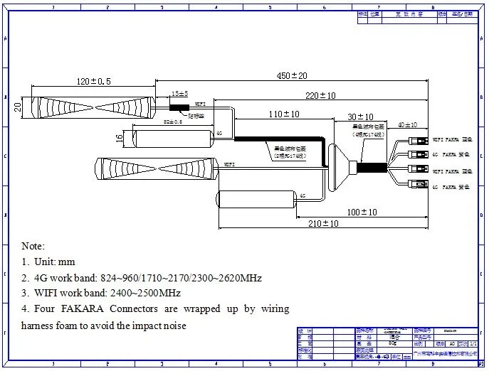
| 1 | Range of Receiving Frequency(MHz) | 824~960/1710~2170/2300~2620MHz |
| 2 | Antenna Directivity | Class dipole |
| 3 | Gain (Zenith)(dBi typ) | ≤2.0 |
| 4 | V.S.W.R | ≤2.0 |
| 5 | Standard Impedance(Ohm) | 50 |
| 6 | Connector | FAKRA Straight head (Purple) |
| 7 | Maximum Input Power | 20 |
| 8 | Polarization | Linear polarization |
| 9 | Size | 80*16*3.5mm |
| 10 | Shell Color | Black |
| 11 | Cable | RG-174, 270/150MM |



12 Ports Xxxxxx-Pol 2× 880-960MHz/4× 1710 -2690MHz 65º /33º 17dBi/20dBi 2.7m Hybrid Antenna
2g/3G/WLAN Fiberglass Antenna with 806~960/1710~2500MHz
1710 -2690MHz Dual Polarized Flat Panel Antenna
High Quality 1710 to 1880MHz GSM1800/Phs High-Gain Yagi Antenna
GSM Antenna with Frequency 698-960MHz and 1710 -2700MHz
Small Cells Manufacturer 698-960/ 1710 -2700MHz High Gain Lpda Antenna for mobile Signal Booster