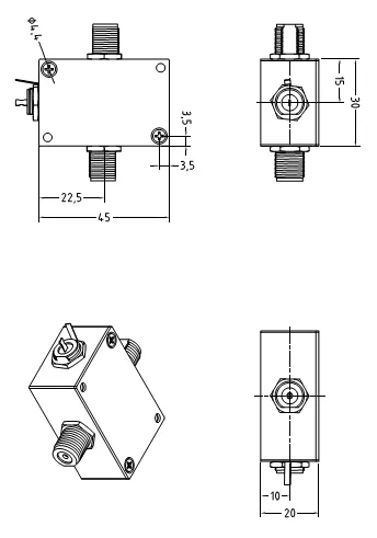
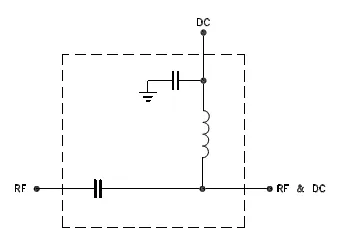
Brief introductionA bias tee is a three port network used for setting the DC bias point of some electronic components without disturbing other components.CLTee-002C-F features small size, light and flt frequency response. It is used for biasing amplifiers, DC return, DC blocking, optical networking ......


| Frequency range (GHz) | VSWR | Insertion Loss(dB) | Connector Type |
| 0.01-1.0 | ≤1.2 | ≤1.0 | RF IN F-Female RF+DC OUT F-Female DC IN Cable |
| 1.0-3.0 | ≤1.25 | ≤3.0 |
Hpe CWDM-SFP10g- 1550 Compatible 10g CWDM SFP+ 1550nm 40km Dom Transceiver Module
Cisco CWDM-SFP10g- 1550 Compatible 10g CWDM SFP+ 1550nm 40km Dom Transceiver Module
Ciena CWDM-SFP10g- 1550 Compatible 10g CWDM SFP+ 1550nm 40km Dom Transceiver Module
10g DWDM 40km CH32 1550.12nm Dw-SFP40-10g SFP+ Manufacturer
Power Amplifier for Jammer Module GPS Band 1550 -1620
1.25g Sc 1310/1490/ 1550 Bidi Sc 20/40/80km SFP Transceiver Ddm